CAXA电子图板作为一个专为机械行业设计的辅助设计软件,其功能的确十分的强大,绘图也非常的方便、简洁。作为一个使用了多年CAXA电子图板的老用户,在此介绍下自己在绘制机械总装图纸的一些技巧,仅希望能够给初学电子图板的朋友一点小的帮助,让更多的中国机械设计师了解、使用和掌握我们中国人自己的CAD软件。

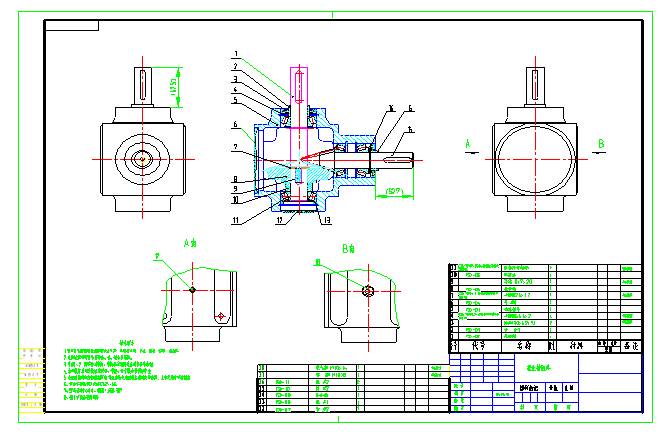
下面以绘制上图所示锥齿减速箱总装图为例,按制图步骤介绍几点本人的使用技巧。
第一步:零部件准备。
技巧1——对总装图中需要用到的零部件进行块定义。这样做的好处在于方便对零部件的选择和装配关系的定位,不会出现普通图形选择时的漏选或者多选。如图所需定义块的零件分别为:
① —壳体(剖视图); ②—从动轴;

② —从动锥齿轮; ④—锥齿轮轴;

⑤—隔离套 ⑥—垫片

⑦—堵盖1 ⑧—堵盖1
其他标准件只需用软件提供的标准件库按照设计规格进行调用就可以了。
技巧2——如上所示,对不同的零部件分别设置不同的颜色。这样做的好处是可以更加直观的对零部件加以区分。
第二步:依装配关系对各零件进行预总装装配(此过程不再累述,按照通常的制图步骤以及设计师自己的设计思路将各零部件、标准件进行预组装),如下图所示:
技巧3——在这个过程中,装配零部件时应多采用特征点定位(特征点捕捉立即菜单用空格键调出)。这样做的好处是零部件定位比较精确。
齿轮箱预组装图:
第三步:对预装配后的图纸进行细节修正。
此时大家会发现在一些零件的剖切部分会出现多个零件的图素重叠的现象,此时我们可以直接使用软件自带的块消隐命令,用需要显示的主要零件的块来消隐其他零件的显示就可以了,并且可以按照主次关系依次执行消隐命令,软件会自动按消隐步骤设置零部件的消隐。(消隐效果如下图所示)
技巧4——调用的标准件不要进行编辑操作,这样标准件零件的自身属性就不会丢失,在制作零件明细表时就可以实现零件属性的自动填写了。
块消隐前:

块消隐后:

第四步:经过细节修正后,给图纸添加尺寸、形位公差、零件明细表和装配技术要求。
这样一份如开篇所示的总装图纸就算完成了。
以上便是本人在用CAXA电子图板绘制机械总装图的几点绘制技巧,虽然算不上什么十分高明的技巧,但却是实际使用CAXA电子图板过程中总结出来的。值此CAXA征文之际,拿出来供大家参考,也真心的希望能够对大家有所帮助。
在此非常感谢CAXA公司为我们中国工程师所研发的电子图板这个软件,真诚的希望我们的国产CAD软件——CAXA电子图板能够越来越完善,相信CAXA电子图板终将成为国产CAD软件的骄傲。
1;所有标注为智造资料网zl.fbzzw.cn的内容均为本站所有,版权均属本站所有,若您需要引用、转载,必须注明来源及原文链接即可,如涉及大面积转载,请来信告知,获取《授权协议》。
2;本网站图片,文字之类版权申明,因为网站可以由注册用户自行上传图片或文字,本网站无法鉴别所上传图片或文字的知识版权,如果侵犯,请及时通知我们,本网站将在第一时间及时删除,相关侵权责任均由相应上传用户自行承担。
[complaint:内容投诉]
智造资料网打造智能制造3D图纸下载,在线视频,软件下载,在线问答综合平台 » CAXA电子图板机械总装图绘制技巧(图文教程)

