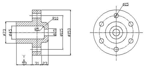
首先,让我们来看一张简单的图纸(如图1),这张图纸可判定为一个零件的CAD图,由轴类零件和法兰类零件组成。那么,这种零件图是怎样绘制出来的呢?下面,我们将用浩辰CAD机械2011软件为大家演示一下绘制过程。

图1
要绘制此图,我们需要进行一个简单的结构分析:我们可以看出,此零件轴的中心有孔、外圆上有倒角,因此可以用浩辰CAD机械软件中的【轴类零件设计】功能快速绘制主视图,然后由浩辰CAD机械软件【辅助功能】——【创建视图】命令快速由主视图生成左视图——这也是我们绘制图形的思路。
绘图步骤:
1、首先,我们打开浩辰CAD机械软件,依次点击【浩辰机械】——【机械设计】——【轴类设计】,并使用轴类设计功能设计出轴的大概轮廓(如图2)。

图2
2、接着,我们再绘制中心的孔,并对轮廓进行相应的倒角处理。其中,倒角时可以使用浩辰CAD机械软件当中的【国标倒角】命令,这样更方便更快捷一些(如图3)。

图3
3、依次点击浩辰CAD机械软件中的【辅助工具】——【创建视图】——【孔轴投影】,使用孔轴投影功能由主视图生成左视图(如图4)。

图4
4、点开浩辰CAD机械软件的【中心线】菜单,并通过【过整圆的十字中心线】功能绘制均布的法兰上的孔(如图5)。

图5
5、依次点击【浩辰机械】——【辅助工具】——【创建视图】——【向视图】,创建在正视图中孔的剖视轮廓,最后进行填充(如图6)。

图6
6、最后,我们可以使用浩辰CAD机械软件中的【智能标注】功能对图纸进行标注。由于【智能标注】功能能自动识别线、圆弧、角度等对象,并且在标注后可以对标注进行【超级编辑】,因此我们可以方便的在标注前后添加前后缀。
免责声明:
1;所有标注为智造资料网zl.fbzzw.cn的内容均为本站所有,版权均属本站所有,若您需要引用、转载,必须注明来源及原文链接即可,如涉及大面积转载,请来信告知,获取《授权协议》。
2;本网站图片,文字之类版权申明,因为网站可以由注册用户自行上传图片或文字,本网站无法鉴别所上传图片或文字的知识版权,如果侵犯,请及时通知我们,本网站将在第一时间及时删除,相关侵权责任均由相应上传用户自行承担。
[complaint:内容投诉]
智造资料网打造智能制造3D图纸下载,在线视频,软件下载,在线问答综合平台 » 浩辰CAD2011机械_(22)常用命令介绍(图文教程)
1;所有标注为智造资料网zl.fbzzw.cn的内容均为本站所有,版权均属本站所有,若您需要引用、转载,必须注明来源及原文链接即可,如涉及大面积转载,请来信告知,获取《授权协议》。
2;本网站图片,文字之类版权申明,因为网站可以由注册用户自行上传图片或文字,本网站无法鉴别所上传图片或文字的知识版权,如果侵犯,请及时通知我们,本网站将在第一时间及时删除,相关侵权责任均由相应上传用户自行承担。
[complaint:内容投诉]
智造资料网打造智能制造3D图纸下载,在线视频,软件下载,在线问答综合平台 » 浩辰CAD2011机械_(22)常用命令介绍(图文教程)

