构造孔在机械设计中是一种比较常见的构造,其通常用于孔的剖面图当中,有时也用于俯视图等视图当中。
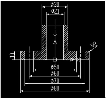
那么,如何使用机械CAD软件绘制构造孔呢?浩辰CAD机械2011软件是目前机械设计中使用最广泛的软件之一,具有较强的代表性。在今天的CAD教程中,我们就以浩辰CAD机械2011为工具,示范一下怎样快速生成下图所示的构造孔(如图1)。
图1
首先,我们使用浩辰CAD机械2011绘制出图形的外轮廓,这个很简单,在这里我们就不详细的介绍了(如图2)。
图2
然后,我们开始绘制两边以及中心的直孔——浩辰CAD机械2011软件中的构造孔功能中包括几种类型。
1.普通直孔、普通阶梯孔、普通锥形孔:包括通孔和盲孔。若复选【螺纹孔】项,可以定义孔为螺纹孔,并在中心孔(螺纹孔)栏中选择参数;若复选【局面剖】项,则可以形成孔的剖视图。
2.中心孔
中心孔包括A、B、C、D四种类型。定义一种类型后,可以在中心孔(螺纹孔)栏中选择参数,此时孔的尺寸栏变为可编辑状态,用户可以在此设置孔的尺寸,但不提供其俯视图的插入(如图3)。

图3
我们估计中心线的位置和孔的参数,然后选择上下端面,直接生成孔(如图4)。

图4
最后,我们再对图纸进行填充及尺寸的标注,这张构造孔的图纸就完成了。
免责声明:
1;所有标注为智造资料网zl.fbzzw.cn的内容均为本站所有,版权均属本站所有,若您需要引用、转载,必须注明来源及原文链接即可,如涉及大面积转载,请来信告知,获取《授权协议》。
2;本网站图片,文字之类版权申明,因为网站可以由注册用户自行上传图片或文字,本网站无法鉴别所上传图片或文字的知识版权,如果侵犯,请及时通知我们,本网站将在第一时间及时删除,相关侵权责任均由相应上传用户自行承担。
[complaint:内容投诉]
智造资料网打造智能制造3D图纸下载,在线视频,软件下载,在线问答综合平台 » 浩辰CAD2011机械_(30) 构造孔绘制(图文教程)
1;所有标注为智造资料网zl.fbzzw.cn的内容均为本站所有,版权均属本站所有,若您需要引用、转载,必须注明来源及原文链接即可,如涉及大面积转载,请来信告知,获取《授权协议》。
2;本网站图片,文字之类版权申明,因为网站可以由注册用户自行上传图片或文字,本网站无法鉴别所上传图片或文字的知识版权,如果侵犯,请及时通知我们,本网站将在第一时间及时删除,相关侵权责任均由相应上传用户自行承担。
[complaint:内容投诉]
智造资料网打造智能制造3D图纸下载,在线视频,软件下载,在线问答综合平台 » 浩辰CAD2011机械_(30) 构造孔绘制(图文教程)

