在轴类零件的完整绘制过程中,我们需要应用到CAD软件的多种功能,如图纸、绘图工具、构造工具、尺寸标注、符号标注、文字处理、参数化国标图库等。那么,怎样合理的组织这些功能,以顺利的完成绘制呢?在今天的CAD教程中,我们将以主轴零件图的绘制为例为大家讲解(使用软件为浩辰CAD机械2012,读者可以自行下载)。
1、插入图纸
依次点击浩辰CAD机械菜单中【图纸】—【图纸设置】命令,在弹出的对话框中设置合适参数(如图1左)后单击确定,设置好的图纸将自动插入到绘图区中(如图1右),这样就完成了图纸的设置和插入。

图1
2、使用机械设计中轴类设计绘制轴轮廓
在菜单栏中依次点击【浩辰机械】—【机械设计】—【轴类设计】在出现的对话框中选择轴的段数、每段的直径和长度,编辑完成点击【分段编辑】,然后在弹出的对话框中设定可分段编辑轴的类型和倒角尺寸,编辑完成后点击【画整轴】(如图2)。

图2
3、使用构造工具构建特征
工艺槽构造:在轴的加工过程中,需要对轴肩部分构建退刀糟,此处使用磨外圆的方法构建轴的三个退刀槽,下面请看具体步骤:
运行浩辰机械菜单中【构造工具】—【砂轮越程槽】命令,在弹出的对话框中将主要类型项选择为“磨外圆”,主参数b1=“2”,单击确定后根据系统提示依次拾取轴的两条母线及轴端面线,系统将自动生成工艺槽1,同样步骤可以生成退刀槽2(b1=1)、工艺槽3(b1=2),结果见下图(如图3)
图3
4、参数化国标图库
轴中间部分需绘制两个国家标准键槽,键与键槽是互相配合的,因此这里可以对轴进行添加键的操作,下面请看具体步骤。
运行浩辰CAD机械菜单中【参数化国标图库】命令,在弹出的对话框中选择“键”为,“圆头普通平键-A型”,然后单击【继续】调用图库“键与槽键”中的键零件,在其中选择“圆头普通平键_A型”。接着选择主视图、图块,单击【生成】按钮,根据系统提示把键插入到合适位置,轴的基本结构就绘制完成了(如图4)。

图4
5、标注基本尺寸:
基本结构绘制完后,我们利用软件里的标注功能对轴进行标注,标注可分为基本尺寸标注、尺寸标注、符号标注等,限于篇幅,这里就不再多讲了,想了解的读者可以查阅我们之前发布的CAD教程。
6、局部放大:
很多时候,零件轴的图纸会出现要素基本确定、但某些细微处(如退刀槽)的结构在视图上表达不够清楚,又不便于标注尺寸的情况。此时,我们一般会对此部分进行局部的放大,以满足识图要求。
依次点击浩辰CAD机械软件菜单中【构造工具】—【局部放大】,在弹出的对话框中设置视图比例为“3:1”,标识符号为“Ⅰ”,放大区域形状为“圆形”,点击【确定】,再生成工艺槽3的局部放大视图(如图5)。
图5
7、文字处理
在文字处理部分,我们可以对轴添加一些技术要求,具体方法为依次点击浩辰CAD机械菜单中【文字处理】—【技术条件】,选择此轴的相关技术条件进行插入。
8、表栏填写:
所有绘图工作完成后,我们可以把表栏填写完整,这样有利于全局把握图纸的基本信息。回到【图纸】功能,选择【标题栏填充】,在弹出对话框中编辑相关内容即可。
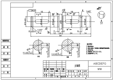
至此所有绘图工作结束,轴的零件图就完整呈现在我们面前了(如图6)。

图6
1;所有标注为智造资料网zl.fbzzw.cn的内容均为本站所有,版权均属本站所有,若您需要引用、转载,必须注明来源及原文链接即可,如涉及大面积转载,请来信告知,获取《授权协议》。
2;本网站图片,文字之类版权申明,因为网站可以由注册用户自行上传图片或文字,本网站无法鉴别所上传图片或文字的知识版权,如果侵犯,请及时通知我们,本网站将在第一时间及时删除,相关侵权责任均由相应上传用户自行承担。
[complaint:内容投诉]
智造资料网打造智能制造3D图纸下载,在线视频,软件下载,在线问答综合平台 » 浩辰教程机械2012:(35)轴类零件绘制(图文教程)

