首页
图纸下载
冲压模具
塑胶模具
数控编程
机械设备
家用电器
更多
软件下载
二维软件
三维软件
编程软件
CAE软件
系统软件
更多
图文资讯
软件应用
模具制造
机械制造
机械知识
平面设计
其他
软件安装
帮助中心
注册问题
登录问题
上传问题
下载问题
充值问题
更多
在线视频
新站课程
本站课程
在线问答
登录
注册
模具制造
一级分类
图纸下载
在线视频
图文资讯
软件下载
二级分类
软件安装
软件应用
模具制造
机械制造
机械知识
平面设计
其他
类别
不限
模具设计
机械设计
机械制图
夹具设计
液压气压
车辆工程
其他
文章排序
时间
标题
热度
留言
随机
站内搜索
全站搜索文章标题和内容
仅搜站内文章标题
仅搜站内文章内容
搜索本类文章标题和内容
仅搜本类文章标题
仅搜本类文章内容
公共汽车车门气压传动系统的原理解析
关于汽车轮胎的结构图解析
结构图
各类机械式传动系一般组成及布置结构图解析
结构图
手动变速箱的基本工作原理解析
齿轮
中国新能源汽车背景及意义与未来发展情况
技术
汽车发动机气缸套磨损的原因及维护方法
关于汽车抛光程序的流程解析
使用
抛光
模具设计教程-13无流道凝料模具设计(建议收藏)
道板
模具
热流
流道
如图
双色模具设计与包胶模具设计有哪些区别
注塑
模具
成型
产品
水口
当塑料模具生锈时该如何有效处理
模具
塑件
塑料模具
生锈
防锈油
想要做模具,必须先知道这些!
要求
流道
模具
水口
顶针
这是一款超有创意的模具
浇口
模具
创意
这个
流道
机械设计的原理动图教程
机构
齿轮
第三版铝型材DIY安装包可节省90%的设计时间
安装
使用
盘点那些机械设计与设备开发的禁忌案例,你中招了吗?
常见的减速机轴承间隙调整方法图文教程
间隙
端盖
教你快速设计并绘制出毛坯图
绘制
设计
快速读懂零件图的方法和步骤教程
零件
步骤
教程
国标未注尺寸公差与未注形位公差值的详细说明
公差
尺寸
机械制图时绘图工具及其使用技巧
制图
绘图
工具
三视图绘制的步骤解析
三视图
绘制
步骤
初学者画装配图时常见的几个错误方式解析
装配图
电动汽车的那些科普常识大全
渔夫竟然自己发明了海陆两栖三轮摩托车
两栖
三轮
汽车之车门的设计教程
冬天汽车打开暖气的正确操作方法
打开
车辆中差速器异响的原因解析
这项发明诞生于监狱,而如今99%的汽车都在用!
汽车保险杠为什么使用塑料的?
塑料
使用
美国的校车为何安全系数较高
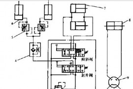
典型叉车液压系统原理解析图
平面磨床液压系统原理解析图
127
128
129
130
131
首页
发布
用户中心
积分充值
开通会员
客服